+603 8063 0270 +603-8063 0276 sales-kl@letromec.com Facebook
Linear Motion System & Servo Motor HIWIN Technology HIWIN Single Axis Robot HIWIN Linear Guideway HIWIN Ballscrew Multi Axis Robot Fa System & Control Devices Mitsubishi Human Machine Interfaces(HMIs) - GOT Inverters - FREQROL Programmable Controllers MELSEC PANASONIC Panasonic Human Machine Interface Panasonic Programmable Logic Control Panasonic Sensors Micro Photoelectric Sensors Photoelectric Sensors Laser Sensors Fiber Sensors Measurement Sensors Pressure Sensors Area Sensors Safety Light Curtains Panasonic Inverters INVT Inverters HIWIN Mikro System HIWIN Linear Actuator HIWIN AC Servo Motor Drive HIWIN Direct Drive Motor Machine Structure & Elements LIMA Aluminium Profile & Accessories IMAO Machine Elements Handwheel & Handles Indicators & Scales Clamping & Handle Equipment Handle Knobs AC/DC Motor & Speed Controller LIMA Brake Motor LIMA Induction Motor LIMA Reversible Motor Speed Controller LIMA Speed Control Brake Reversible Motor LIMA Speed Control Induction Motor LIMA Speed Control Reversible Motor LIMA Terminal Box Type Induction Motor LIMA Terminal Box Type Reversible Motor LIMA Torque Motor Cable Protection Systems CPS Cable Chain - Mini Type CPS Shift Chain - Normal Type CPS Corrugated Tube & Connector CPS Flex CPS Fix APEX Gearbox Machine Parts & Components Sungil Ballscrew Support Unit MID Cross Roller KBS Linear Ball Bushing / Support / Shaft LIMA Ball Bearing & Pillow Block Miniature Ball Bearing Deep Groove Ball Bearing Rod End Pillow Blocks Oiless Bearing Coupling HUCO Coupling SUNGIL Coupling KBK Metal Bellows Coupling Sungil Power Lock LIMA Timing Belt & Pulley HTD Series T Series MXL Series XL & L Series H & XH Series Clamping Plates Cam Follower Stock Gear Steel Spur Gears Steel Miter Gears Steel Bevel Gears Steel Racks KG Gearboxes SANYU Universal Joint General Products from Japan

Machine Parts & Components ► Coupling HUCO Coupling



Oldham Inches Coupling

Lateral Offset Couplings

View PDF View CAD Enquiry

Brass / Aluminium Blind Hubs

View PDF View CAD Enquiry

Aluminium Thro Hubs

View PDF View CAD Enquiry

Stainless Steel Thro Hubs

View PDF View CAD Enquiry





Flex-M Coupling

Flexible Membrane Couplings - Bolted Series

View PDF View CAD Enquiry

Uni-Lat Coupling

Universal / Lateral Offset Coupling

View PDF View CAD Enquiry





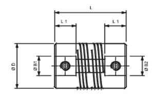
HUCO MULTI BEAM COUPLING

Stainless Steel Multi-Helix Flexible 3 Beam Couplings

View PDF View CAD Enquiry

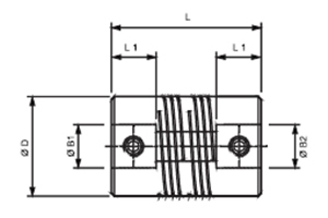
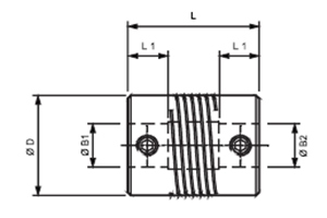
Stainless Steel Multi-Helix Flexible 6 Beam Couplings Non-Relieved

View PDF View CAD Enquiry

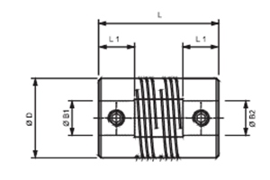
Stainless Steel Multi-Helix Flexible 6 Beam Couplings

View PDF View CAD Enquiry

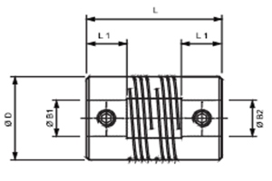
Aluminium Multi-Helix Flexible 3 Beam Couplings

View PDF View CAD Enquiry

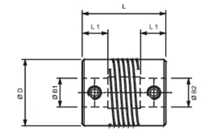
Aluminium Multi-Helix Flexible 6 Beam Couplings Non-Relieved

View PDF View CAD Enquiry

Aluminium Multi-Helix Flexible 6 Beam Couplings

View PDF View CAD Enquiry